

FZX-ACT系列贮压悬挂式超细干粉灭火装置
FZX-ACT系列贮(zhù)压悬挂式超细干粉灭火装置具有“快速响应、早期报警、高效灭火、生态环保”的特点。适合(hé)固定安装在电缆沟、电缆隧(suì)道、电缆夹层、电缆井等相对密闭的(de)无人场所内。当环境温度达到启(qǐ)动温度(dù)(默认为68℃,若(ruò)因安装地(dì)气(qì)候影响可定制,定制型号见后感温元件选择表)以上时,感温(wēn)喷头将自行开(kāi)启。贮存容器内超细干粉灭火(huǒ)剂射入火场,实施灭火。
本(běn)装置主要应用于以下场所:
1、 扑救(jiù)A类火灾:如棉、木、麻、纸、橡胶、塑料、烟(yān)草等可燃固体火灾;
2、 扑救B类火灾:如(rú)原油、重(chóng)油、柴(chái)油、汽油、有机溶剂等可燃液(yè)体、可熔化固体火灾(zāi);
3、 扑救(jiù)C类火灾:如煤气、天然(rán)气、乙炔等可燃气(qì)体火灾;
4、 通讯机站、仓库(kù)、空调(diào)机房、变电站等场所带电设备火灾;
5、 电力、冶(yě)金、石化等行业的(de)电缆隧(suì)道、电缆井沟、竖井,变压(yā)器、配电柜(室)、发电机房;
本装(zhuāng)置不适用于扑救下列物质的(de)火灾:
1、 硝酸纤维、炸(zhà)药、氧化氮、氟等在无空气时仍(réng)能发生(shēng)氧化(huà)反应的化学物质与氧化(huà)剂;
2、 钾(jiǎ)、纳(nà)、镁、钛、锆等活泼金属及其氢化(huà)物。
灭火装置主要由筒(tǒng)体、感温玻璃组件、电启(qǐ)动器、反馈装置、显示器(qì)、吊环等组成。
见图1容器内充装ABC超细干粉灭火剂,驱动气体为氮气。
序号 | 规 格 参 数 | 3kg | 4kg | 5kg | 6kg | 7kg | 8kg | 10kg |
1 | 保护容积(m3) | 21 | 28 | 35 | 42 | 50 | 58 | 71 |
2 | 喷射时间(jiān) | ≤ 5S | ≤ 10S | |||||
3 | 灭火时间 | ≤ 1S | ||||||
4 | 灭火剂设计浓度 | 140 g/m3 | ||||||
5 | 装置(zhì)启动方式 | 玻璃球感温:680C启动; 电热启动器(qì):≤24V DC、启动(dòng)电流≤1A启动;带信号(hào)反馈 | ||||||
6 | 贮存压(yā)力 (20℃) | 1.2MPa | ||||||
7 | 水压试验压力 | 2.1MPa | ||||||
8 | 工作环境温(wēn)度 | -10℃~+50℃ | ||||||
9 | 装置有效期 | 5年 | ||||||
五、工作原理
1. 灭火装置喷头的感温元件为玻璃球,采用定温启动方式。
火(huǒ)灾时,当环境温度超过喷头感(gǎn)温元件公称动作温度(dù),玻璃球受热膨胀破裂,压板受容器(qì)内压(yā)力推动脱落,灭火剂在驱动气体作用下快速(sù)喷出灭火。感温玻璃球喷头公称动作温度(dù)和颜色标志
使用场所最 高环境温度℃ | 27 | 38 | 49 | 63 | 111 | 特殊环境 |
选用玻璃球公称动(dòng)作温度℃ | 57 | 68 | 79 | 93 | 141 | 定制 |
感(gǎn)温元件颜色 | 橙 | 红 | 黄 | 绿 | 蓝 | 定制 |
2. 将灭火装置上的电启动器与火灾(zāi)报警控制系统相联,灭火装置可以电控启动。
1)电控自动启动
在灭火控制(zhì)器设置于“自动”位置时,灭火装置处于自(zì)动控制状态。当保护区发生火灾时,灭火控制器判明的确发生火灾后,自动启动灭火装置喷射灭火剂实施灭(miè)火。灭火完成后,反馈装置接通,火灾报(bào)警控制系统(tǒng)灭火(huǒ)完成显示灯亮起。
2)电控手动启动
在灭火控制器设置于“手动”位置时,灭火装置处于(yú)手动控制状态。当保护区发(fā)生火灾(zāi)时,人工按下灭火控制器或(huò)手动控制盘上的启动(dòng)按钮,即可启动灭火装置喷射灭火剂,实施灭火。灭火完成后,反馈装置接通,火灾报警控制系(xì)统灭火完成显示(shì)灯亮起(qǐ)。
3)温控启动
当保护区发生火灾,环(huán)境温度上升至感温元件的公称动作温(wēn)度时,不管火灾报警(jǐng)控制器是否(fǒu)发出灭火指令,灭火装置自动启动,实施灭火。实施灭火为,灭火完成后(hòu),反馈装置接通,火灾报警控制系统灭火完成显(xiǎn)示灯亮起。
4)紧急停止
在火灾报警控制器(qì)发出了启动指令后,或者手(shǒu)工按动了启动按钮(niǔ)后,在设定延时(shí)的30s时(shí)间内,若是人员(yuán)发现没有发生火灾或是火灾已经(jīng)息灭,可以按下紧急停止按钮(niǔ),灭火(huǒ)装置停止启动。
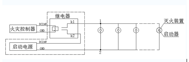
接线(xiàn)原理(lǐ)图见图2、图3、图4

图2 灭火装置电控启动接线图

图3 单具灭火装置灭火原理图

图4 多具灭火装置灭火(huǒ)原理图
3. 反馈装置工作原理:当灭火装置完(wán)成充压后,反馈(kuì)装置开关处于常开状态,当灭火装置发生漏压或者(zhě)工作后,压力下(xià)降,反馈装置开关将会自(zì)动闭合,给火灾自(zì)动报(bào)警灭火控制器一个信(xìn)号,从而实现反馈功能。
灭火装置的安装方式如下:
1、灭火装置从包装中取出,壳体和感温元器喷头应完(wán)整无破损,装置安装架固定保护区顶上,装置和安装架用螺母将其连接固定(dìng)。
2、安装灭火装置时,应尽量避免安装在经常需维护(hù)保养等容易碰撞处。
3、将带钩的膨胀螺钉(dìng)固定在保护区上方的混凝预制板顶部(bù)上,再将灭火装置上部的吊环钩在(zài)膨胀螺钉弯钩处,用塑料扎带捆死。见图5

图5 灭火装置安装示意图
1灭(miè)火装置在运输、保管及安装时,应轻装轻放,防止碰撞;禁止靠近明火(huǒ),避免曝晒,雨淋;储存于库房时应干燥通风。
2灭火装置报废处理须由具有消防资质的(de)专业厂家进(jìn)行;
3在灭火装(zhuāng)置的压力表指针指向“红区”或“黄区”的1.4Mpa以上时禁止使用;
4未经生产(chǎn)厂家书面允许,禁止进行各类试验。
1检查装(zhuāng)置(查看压力指示器)。
2确定安装位置(zhì)。
3 装置的安装:将灭火装置固定在易着火(huǒ)的保护物上方约(yuē)30cm处喷头超下,螺栓应紧固以防震动后松动;
4安装时(shí)必须禁止明火或高温下操作;
5固定装置的(de)承重结构(gòu)应(yīng)能承受5倍以上该装置的重(chóng)量。
6维护须由具有消防资质的专业厂家(jiā)进行;
7如有必要建议在安装前联系厂家,派专人前往指导安装(zhuāng) 。
8 灭火装置容器严禁超期使用(严格(gé)执(zhí)行《钢质焊接气瓶定期检验评(píng)定》中相关规定进行定期检查检验。
九、灭火装置的检查与维修
1.定期检查灭火装置,若发现压力表指针指向“红区”或“黄(huáng)区(qū)”的1.4Mpa以上,或开启后,必须(xū)重新充装。
2.检查灭火装置紧固螺栓,若有松动(dòng)必须锁紧。
3.灭火装一经启动或每(měi)半年对灭火装置进行(háng)一次检(jiǎn)查,灭火装置一经开启(qǐ)可发现(xiàn)压力显示器指针指向红色区域时,必须重新充装。
4.再次充装(zhuāng)或每五年(nián)应对灭火装置容器进行水压试(shì)验,水压试验(yàn)不合格(gé)不(bú)允许(xǔ)再使用。
5.再次充装时所用灭火剂必须是ABC超细干粉灭火剂(GB578-2005)。
6.维(wéi)护充装,必须(xū)由具(jù)有消防(fáng)资质的专业厂家进行。
7.灭(miè)火装(zhuāng)置在正常情况下,灭火(huǒ)剂使用有效期(qī)为5年,灭火装置的(de)使用有效期为5年。
1、我公司(sī)设有售后服务部,并建立了质量和售后跟踪(zōng)服务档案,并享受定期免费维护和(hé)有效期(qī)满(mǎn)后给予优惠价以旧换新的服务。
2、 详细填写用户安装记录后回传经销商或生产厂家备案。
3、免维护期(qī)内遇质量问题(tí)请联系经销商或生产厂家免费更换。
4、其他(tā)有关产品技术问题请联系经销商或生产厂家咨询。
(0571)81007119 81007117 81007116
hzjaxf@163.com
浙江省诸暨市经济(jì)技术开(kāi)发区(qū)
扫(sǎo)
一
扫(sǎo)
联
系(xì)
我
们